0319-8509111
mr.suo@zrbearing.net
登录/注册
EN
首页
关于中达
企业介绍
企业文化
企业团队
荣誉资质
社会责任
发展历程
董事长寄语
招聘信息
产品中心
品质管控
原材料控制体系
生产控制体系
质量管理体系
质量检测体系
产品追溯体系
服务领域
农机行业
风机行业
冶金行业
立体车库
物料运输
包装机械
印染机械
技术支持
Z&R代号释义
产品研发定制
型号转换
目录下载
安装指导
中达资讯
联系我们
登录
重置密码
登录
免费注册
注册
发送验证码
注册
登录
重置密码
提交
首页
关于中达
企业介绍
企业文化
企业团队
荣誉资质
社会责任
发展历程
董事长寄语
招聘信息
产品中心
品质管控
原材料控制体系
生产控制体系
质量管理体系
质量检测体系
产品追溯体系
服务领域
农机行业
风机行业
冶金行业
立体车库
物料运输
包装机械
印染机械
技术支持
Z&R代号释义
产品研发定制
型号转换
目录下载
安装指导
中达资讯
联系我们
首页
/
产品中心
/
连座外球面轴承
/
P型连座轴承
/
UCP 系列
/
UCP 311-32 F
UCP 311-32 F
立式轴承座单元P型,铸铁轴承座,紧定螺钉锁紧外球面球轴承,F型密封
联系我们
型号兑换
OEM型号
产品信息
技术信息
CAD
下载
点击缩小
点击放大
点击缩小
点击放大
单位显示
公制
英制
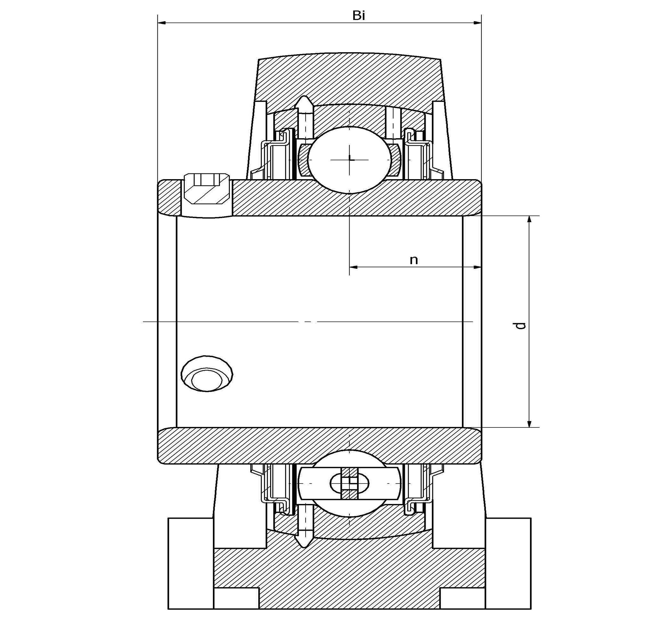
主要尺寸和性能参数
d
50.8mm
内径
H
80mm
中心高
H1
30mm
底座高度
A
80mm
底座宽度
N
20mm
安装孔长度
N1
38mm
安装孔宽度
L
310mm
总长度
K
236mm
固定孔距
Bi
66mm
总 宽 度
n
25mm
沟道距离
M16
螺栓尺寸
≈m
7.42Kg
重量
UC 311-32
轴承型号
P 311-32
轴承座型号
M6*1
油嘴
J6
装配扭矩
HT200
轴承座材质
H2
154mm
总高度
d
2.000in
内径
H
3.150in
中心高
H1
1.181in
底座高度
A
3.150in
底座宽度
N
0.787in
安装孔长度
N1
1.496in
安装孔宽度
L
12.205in
总长度
K
9.291in
固定孔距
Bi
2.598in
总 宽 度
n
0.984in
沟道距离
M16
螺栓尺寸
≈m
7.42Kg
重量
UC 311-32
轴承型号
P 311-32
轴承座型号
M6*1
油嘴
J6
装配扭矩
HT200
轴承座材质
H2
6.063in
总高度
下载本产品
下载产品特性释义
您现在的产品特性
密封方式
F型
外圈润滑方式
GV3
锁紧方式
紧定螺钉锁紧
紧定螺钉样式
G2
装配方式
A
润滑脂
Shell Gadus S2 V100 2
外圈样式
球面
图层
无处理
配套部件(相关产品)
鼠标右击拖动
在线申请
提交
一次选择,终身合作,
感谢您对中达的信赖,我们会尽快联系您!